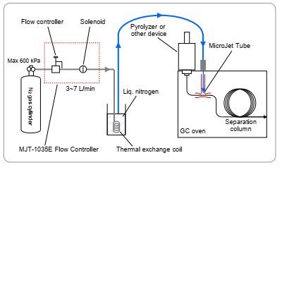
Le MicroJet Cryo-Trap est un accessoire permettant de refroidir, grâce à un jet d'azote refroidi à -196 °C à l'aide d'azote liquide, une zone précise de la tête de la colonne et de piéger à ce niveau, les molécules qui ont été émises dans le pyrolyseur. Ensuite, lorsque le jet d'azote est coupé, la température remonte très rapidement dans le colonne, ce qui conduit à une thermodésorption rapide.
Sa conception universelle lui permet de fonctionner avec la plupart des dispositifs d'introduction d'échantillons.
En effet, avec le nouveau MicroJet Cryo-Trap MJT-1035E , vous pouvez désormais utiliser cette technologie de cryopiégeage éprouvée, avec les pyrolyseurs de Frontier Lab ou bien d'autres dispositifs d'introduction d'échantillons, tels que les systèmes d'espace de tête et de purge & trap, d'autres fournisseurs.